Moldtek is a provider of special purpose machine design in USA, delivering custom-engineered systems designed for unique and diverse customer requirements. We begin with a detailed study of project-specific conditions, allowing us to arrive at targeted solutions geared toward operational success. We approach designing industrial automation solutions with customization and precision, supported by structured engineering design practices that facilitate efficiency, process optimization, and lower operational costs. Working as one, a closely knitted team ensures that every project detail is captured and channeled into a solution that exceeds client expectations in automation equipment design.
At Moldtek, we specialize in overcoming challenges in the design of special-purpose machines, enabling our clients to achieve operational excellence through customized and efficient engineering solutions:
We deliver precise designs tailored to unique customer requirements and complex operational needs.
Our team consistently refines workflows to ensure timely delivery of high-quality machines, meeting tight project timelines.
We optimize internal processes and workflows to guarantee machines meet stringent quality standards.
Our continuous investment in advanced technologies, process development, and engineering expertise enables efficient management of short lead times.
A collaborative team approach ensures innovative, customized solutions designed specifically to overcome complex project challenges.
At Moldtek, our specialized approach combines automation expertise with engineering design services to ensure efficiency, cost savings, and unmatched technical precision. We offer end-to-end support with solutions tailored specifically to your operational needs:
Emphasis on identifying specific customer needs and focusing on them so that our SPM machine designs provide solutions for specific operational challenges.
Our machines are designed to do maximum production, increase downtime, and decrease waste; significant savings in the design of industrial machines.
We look after entire processes from initial design to delivery, ensuring every automation unit integrates seamlessly during implementation and satisfaction with the special-purpose machine design.
The combination of CAD software, precision engineering, and the design of automated equipment yields innovative solutions that are both state-of-the-art and trustworthy.
At Moldtek, we excel in special-purpose machine design, delivering high-performance, customized solutions tailored specifically to enhance your operational efficiency:
Our machines are custom-designed to fit seamlessly into diverse industrial operations and perform specific industrial tasks with high precision and repeatability.
Utilizing advanced CAD tools and modern automation equipment, we deliver reliable, state-of-the-art machinery that surpasses industry standards.
With extensive experience and a proven track record, Moldtek is a trusted partner for delivering sophisticated, custom-designed special-purpose machines.
We prioritize sustainability by designing efficient machinery that significantly reduces waste and energy consumption, benefiting both clients and the environment.
To guarantee the utmost accuracy, efficiency, and specificity Moldtek uses state-of-the-art CAD software during the development stage:

Precise 3D mechanical modeling for accurate, detailed designs.


Robust CAD solutions delivering high-quality mechanical engineering designs.

Accurate 2D drafting and customized documentation tailored to project specifications.



Enhanced production reliability through sophisticated robotic programming and simulation.
Advanced software integration for faster, error-free designs that streamline manufacturing workflows.
Moldtek’s SPM machine designs are based on advanced technology and engineering excellence:
With these technologies, we deliver machines that turn complex customer requirements into reliable solutions while assuring superior quality in special-purpose machine design.
Moldtek specializes in several areas, supported by continuous development of automation technologies and engineering capabilities:
Moldtek requires adherence to the highest possible standards in designing and building special purpose machines (SPMs):
Quality Assurance: We have rigid quality control processes during production, resulting in machines that meet and exceed expectations in special machine design.
Newest Development Methodologies: Using the latest resources and techniques, we ensure that our machines are always updated concerning the latest trends in special purpose machine design.
Eccentric Client Approach: Our every solution is extremely client-specific, enabling precision, reliability, and ease of incorporation into existing operations in industrial machine design.
Excel with the Client: Moldtek stands for the design of machines that are rugged, efficient, and reliable, allowing clients to prosper in the long term with automation equipment design.
By consistently following these standards, Moldtek has built its impeccable reputation for being a torchbearer promoting excellence and innovation in special-purpose machine design.
Jaguar Land Rover (JLR) was looking to cue the assembly process for the Range Rover Velar GT EMA L481 model, concentrating on the production of critical body panels—wheelhouse rear quarter, Body Sides Inner (BSI), Body Sides Inner Reinforcement (BSIR), and Body Sides Outer (BSO). Ultimately, the prime goal was to optimize design and manufacturing processes in terms of efficiency, accuracy, and cycle time reduction.
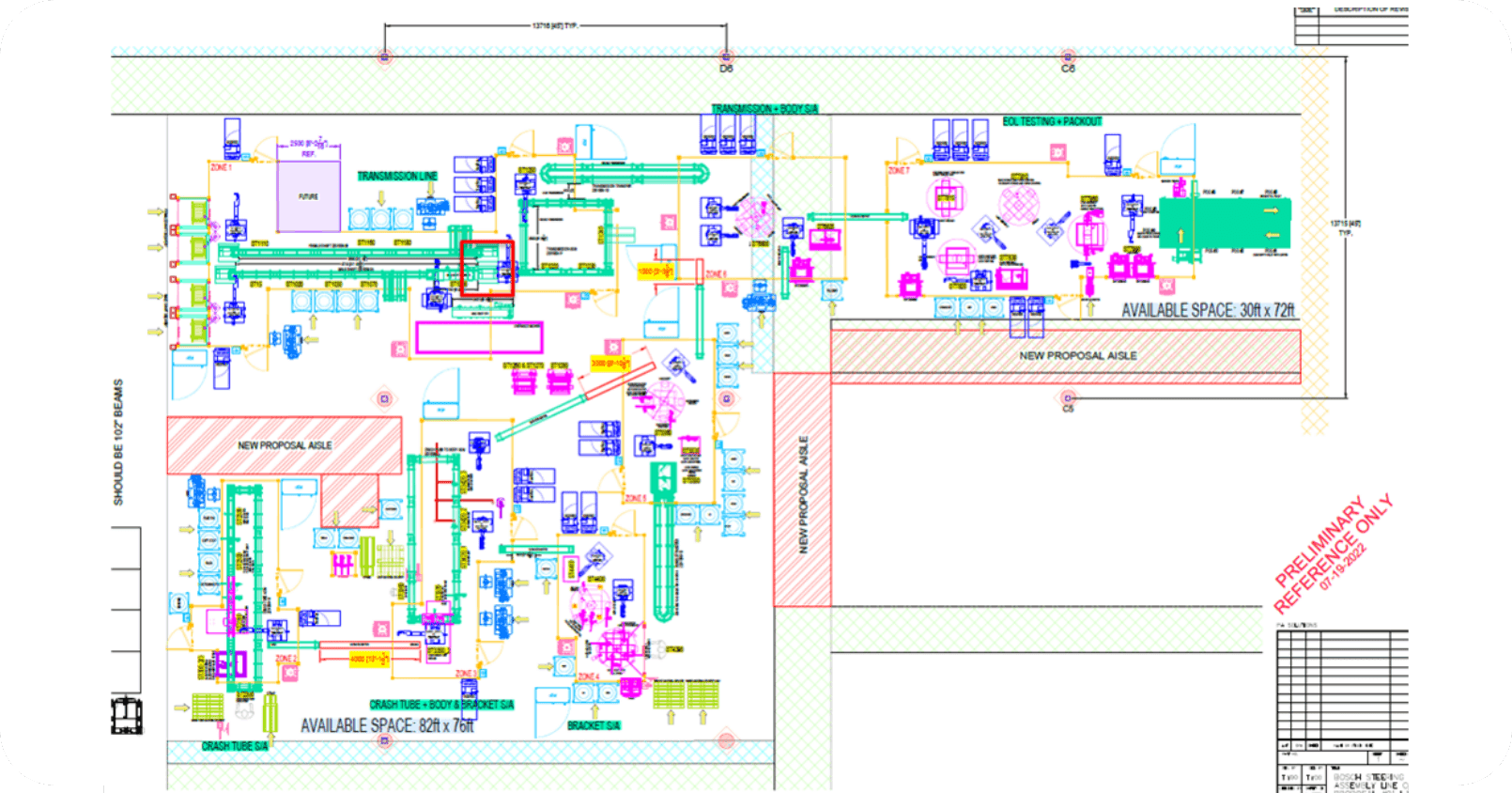
The steering column assembly line at a highly automated plant directly produces quality automotive parts, thus making it one of the major hubs of the manufacturing system. The very first step begins at DMC marking stations (ST-015 and ST-115), where critical parts like the male shaft, lock collar, and steering wheel shaft are camera-checked for quality assurance. At the robots’ careful hands, the picking and placement onto pallets reigning within a lightning-fast 13-15 seconds cycle time are skills much valued in setting standards. A thorough system of checks and balances sees to it that no part gets to leave this station without having passed the most stringent of standards.
The ST-240 Straightening Station then comes up next. Here, parts like the male shaft, lock collar, and spring all undergo an alignment measurement, applying force to ensure accuracy for all parts. The assembly of the middle bearing and spring is carried out to protect the assembly’s integrity, all while working on a 15-second cycle.
To warrant quality control, rejected parts are reworked at ST-260 and ST-270. These stations delve deeper into component analysis, verifying part DMC codes, and comparing with gauges to guarantee each part is entirely permissible.
In the assembly line, there is ST-280, the cutting station where over-molded plastic is removed from parts such as the male shaft and lock collar. The plastic-breaking method guarantees that these components can be utilized for subsequent assembly. Cycle time-10s; hence the focus will be on precision.
The unique feature of this line is ST-300 A & B, where strap laser welding is used on crash tubes and straps. This advanced welding process is crucial for fast assembly with speed and a strong bond completed in 13 seconds per cycle.
The complete scope of the project includes fixture design, engineering calculations, and 2D models to ensure every component perfectly fits into an extremely tight tolerance. Bringing together automation, advanced technology, and strict quality control, the assembly line provides steering column components for the automotive industry that are uniquely precise and reliable and allow for optimum performance and safety.
The Combi Valve assembly line at the advanced production facility is set up for maximum efficiency, precision, and high-quality output. The process starts at OP-01, where robots pick and place combination valve components. The automation allows for the accurate handling of components from a pallet to a fixture where they are secured for downstream processes. There is a seamless cycle time for this station, and it is an engineering effort that involves everything from calculations and choosing long lead-time items to designing fixtures and 2-D modeling.
At OP-02, the center point is the pressing together of over-molded drivers, air-torsion springs, and ball bearings into the housing. This workstation precisely ensures tolerances, for only ten seconds per cycle. Great care is taken in pressing the ball bearings into the housing to ensure that the ball bearings work smoothly with durability.
OP-03 is concerned with riveting, another kinetic factor that guarantees that the bottom cover is clamping the housing. The riveting takes 15 seconds per cycle, ensuring that the two components are joined perfectly so that the integrity of the valve assembly will not be in question.
In a succession of operations, OP-04 is responsible for screwing parts like covers and air gears, and intermediate pinions into the housing. It does that in only ten seconds, tightly securing every part of the assembly.
Finally, OP-05 involves the floating check of the valve, where the flap cover is floated and the torsion duly checked. The perfect tension is adjusted on the screw for maintaining the quality and functionality of the valve. This operation, done within ten seconds, ensures that every valve can do its job undisturbed. The totality of the works on the assembly line includes jigs developed specifically for screwing and riveting, guaranteeing that any component is aligned and assembled with the utmost precision. The entire process is guided by CAD models and advanced design techniques to ensure that the final product complies fully with quality and performance standards.